PM04X系列高温压力变送器
产品特点◆信号有很多选择;◆抗干扰、浪涌保护;◆316L不锈钢隔离膜片,一体化设计;◆内置散热器,温度范围可达-40℃~150℃; 产品描述PM04X系列高温压力变送器采用扩散硅油填充芯作为压力测量元件。工艺连接配有内置散热器进行冷却,或使用高温蓝宝石传感器。整个设备与专用数字电路相结合,经过信号放...
|
|
产品特点
◆多种输出信号可选
◆抗干扰、防浪涌保护
◆316L不锈钢隔离膜片,一体化设计
◆自带散热器,温度范围达-40°C~150°C
产品描述
PM04X系列高温压力变送器采用扩散硅油填充芯作为压力测量元件。工艺连接配有内置散热器进行冷却,或使用高温蓝宝石传感器。整个设备与专用数字电路相结合,经过信号放大、线性和温度补偿、抗干扰和浪涌保护等信号处理后,输出工业标准信号,作为高温环境应用的集成产品。额外的外部散热器可用于高温环境中的压力测量。
产品应用
◆石油化工;
◆冶金和电力工业;
◆高温液体、气体;
◆测量和控制技术;
技术参数
| 量程 | -100…10…1000KPa | ||
| 0…1…100MPa | |||
| 压力形式 | 表压(G); | ||
| 密封表压(S); | |||
| 绝压(A) | |||
| 输出信号 | 4…20mA; 0.5…4.5VDC; 0…10VDC; IIC; RS485 | ||
| 输入电压 | 8…30V DC; 5…8VDC; 3.3VDC | ||
| 精度等级 | 0.1%FS | 0.2%FS | 0.5%FS |
| 零点漂移 | 0.01%FS/℃ | 0.02%FS/℃ | 0.05%FS/℃ |
| 灵敏度漂移 | 0.01%FS/℃ | 0.02%FS/℃ | 0.05%FS/℃ |
| 补偿温度 | 0…50℃; -10…70℃ | ||
| 工作温度 | -40…150℃(5片散热); | ||
| -40…250℃(10片散热); | |||
| 存储温度 | -40~+125℃ | ||
| 长期稳定性 | ≤0.2±%FS/年; ≤0.5±%FS/年 | ||
| 响应时间 | <1ms | ||
| 过载能力 | 150% | ||
| 负载电阻 | R=(U-12.5)/0.02-RD | ||
| 测量介质 | 与316L兼容的腐蚀性介质316L | ||
| 膜片材料 | 316L; C-276; TC4 | ||
| 壳体材料 | 304SS; 316L; C-276; TC4 | ||
| 电器接口 | DIN43650A或自定义 | ||
| 过程接口 | M20X1.5或自定义 | ||
| 防护等级 | IP65; IP66; IP67; IP68 | ||
| 防爆等级 | Ex ia II CT6 可选 | ||
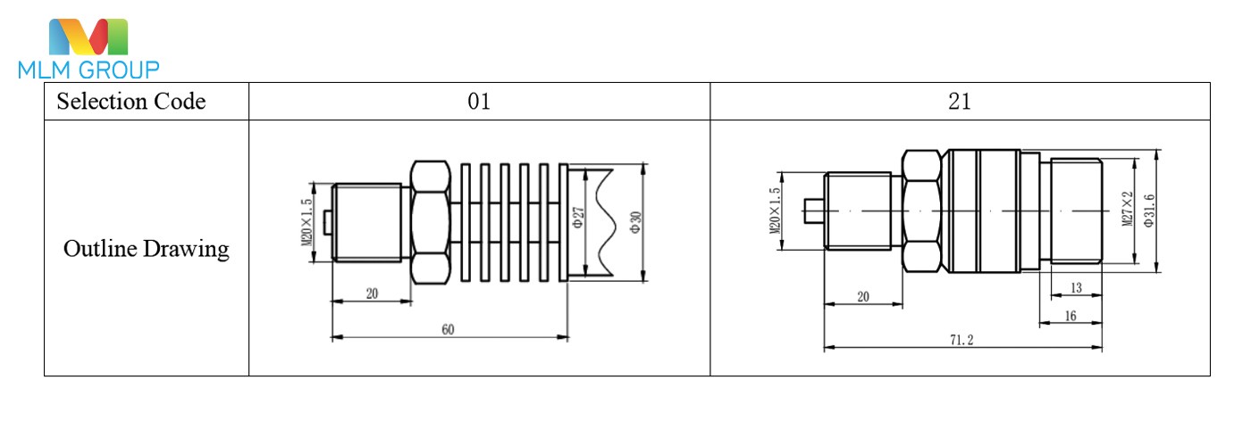
过程接口

电气接口

选型指南
| PM04- | 高温型压力变送器 | |||||||
| 代号 | 左位代表产品类型; | |||||||
| 右位代表电器接口 | ||||||||
| 1 | 扩散硅5片散热赫斯曼插座 | |||||||
| 11 | 扩散硅10片散热赫斯曼插座 | |||||||
| … | 21:蓝宝石赫斯曼插座; | |||||||
| 02:扩散硅5片散热PG7; | ||||||||
| 03:扩散硅5片散热M12; | ||||||||
| 代号 | 输出信号 | |||||||
| S1 | 4…20mA; S2:0.5…4.5VDC; S3:0…5VDC ; | |||||||
| … | S4:0…10VDC; S5:IIC; S6:RS485; ST:特殊定制 | |||||||
| 代号 | 供电范围 | |||||||
| U1 | 8…30VDC | |||||||
| … | U2:3.1…8VDC; U3:3.3VDC | |||||||
| 代号 | 外壳材质 | |||||||
| 30 | 304SS; 31:316L; 32:TC4; | |||||||
| … | 33://; 34://; 35:C276 | |||||||
| 代号 | 螺纹规格 | |||||||
| C1 | M20*1.5 | |||||||
| C2 | G1/2 | |||||||
| … | C3:G1/4;C4:1/2NPT……Cn | |||||||
| C8 | ||||||||
| G1/8 | ||||||||
| 电缆长度 | 电缆材质 | |||||||
| Xxxx | PU; PE; PV; PTFE | |||||||
| 量程 | 单位 | |||||||
| PM04- | 1 | S1 | U1 | 30 | C1 | X001PU | -[0…1] | MPa |
